

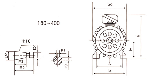
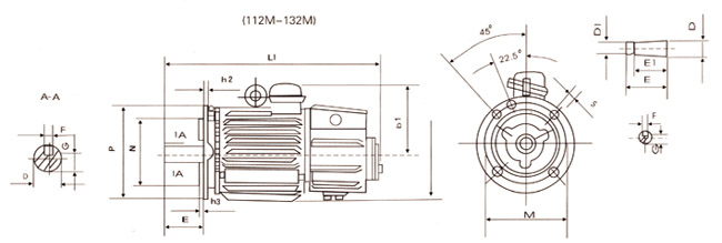
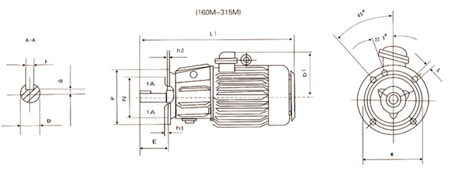
產品概述:
1.1、YZR、YZ系列是最新設計的電動機,具有過載能力大和機械強度高的特點,特別適用于驅動各種類型的冶金 及起重機械或其它類似設備。YZR系列為繞線轉子電動機、YZ系列為籠型電動機。 1.2、電動機能在下列環境條件下正常運行: (1)冷卻介質溫度不超過60℃(冶金用電動機)或40℃(起重用電動機)。 (2)海拔不超過1000米。 (3)經常的、顯著的機械振動和沖擊。 1.3、電動機在下述負載條件下能正常工作 (1)經常的起動與逆轉 (2)經常的電氣或機械制動 1.4、電動機的額定頻率為50赫,額定電壓為380伏 1.5、接法:功率為132千瓦和小于132千瓦的定子繞 組用Y接法,其余的用△接法 1.6、型號說明
1.7、輸出功率和轉速 基準工作制(S340%)時的(de)額定輸出功率(lv)和同步轉速(su)見表1(籠型電動機制造粗線(xian)框(kuang)內的(de)規格(ge))

1.8、基準工(gong)作制(zhi)時,YZR系列電動機在額(e)定電壓下的最大轉矩對額(e)定轉矩之比的保(bao)證值見(jian)表2

1.9、基準工作(zuo)制(zhi)時,YZ系列電動(dong)機在額定電壓下的(de)最大轉(zhuan)(zhuan)矩和堵轉(zhuan)(zhuan)轉(zhuan)(zhuan)矩對額定轉(zhuan)(zhuan)矩之比的(de)保證值見表3

電動機的工作方式及技術數據:
2.1 電動機的額定電壓為380V,額定頻率為50HZ。 2.2 電動機適用于斷續周期性負荷,根據負荷的不同性質,電動機的工作制分為: 2.2.1 斷續周期性工作制(S3):是一系列相同的工作周期,每一周期包括一段恒定負載運轉的時間和一段停止并斷能的時間 (見圖1),在這種類型中,每一周期的起動電流應對電動機的溫升無明顯的影響;每10分鐘為一工作周期,即每小時起動六次。 2.2.2 帶起動的斷續周期性工作制(S4):是一系列相同的工作周期,每一周期包括一段起動時間,一段恒定負載運轉的時間和一 段停止并斷能時間(見圖2);每小時起動次數分為150、300及600次。 2.2.3 帶電制動的斷續同期性工作制(S5):是一系列相同的工作周期,每一周期由一段起動時間,一段恒定負載運轉時間,一段 快速電制動時間和一段停止并斷能時間所組成(見圖3)。 2.3 選用電動機時,各種起動及制動狀態均需按等效發熱折算成每小時等效全起動次數。以該等效全起動次數確定電動機的定額。 折算典型例子見表4。 折算的方法: 點動(最終速度不超過額定轉速的25%)四次相當于一次全起動:電制動(制動到額定轉速的1/3)一次相當于0.8次全起動。 2.4 電動機的基準工作方式為S3-40%,各工作制下電動機的技術數據見表5。電動機名牌數據一般按基準工作制供給,如用戶有 特殊要求則按用戶要求供給數據。當電機需要按S2~S5工作制之外的方式運行時,需與制造廠協商。
 



電動機的工作方式及技術數據 點擊查看


電動機的工作方式及技術數據 點擊查看 |